网站首页
关于我们
产品展示
荣誉资质
企业形象
新闻动态
在线留言
联系我们
产品分类
Product categories
低压柜
电表箱
控制柜
|
PLC自动化控制柜
|
变频器控制柜
|
控制柜
临时电柜
|
临时配电柜
|
临时配电箱
配电柜
|
xL-21动力柜
|
低压配柜
|
配电动力柜
|
配电开关箱
自动化控制箱
4
荣誉资质
您的位置:
首页
->
荣誉资质
-> 申请CCC强制认证产品描述
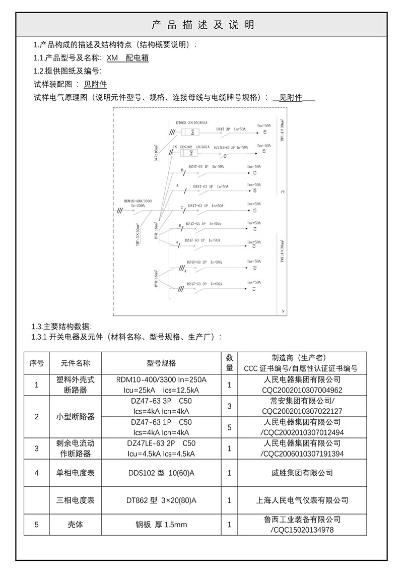
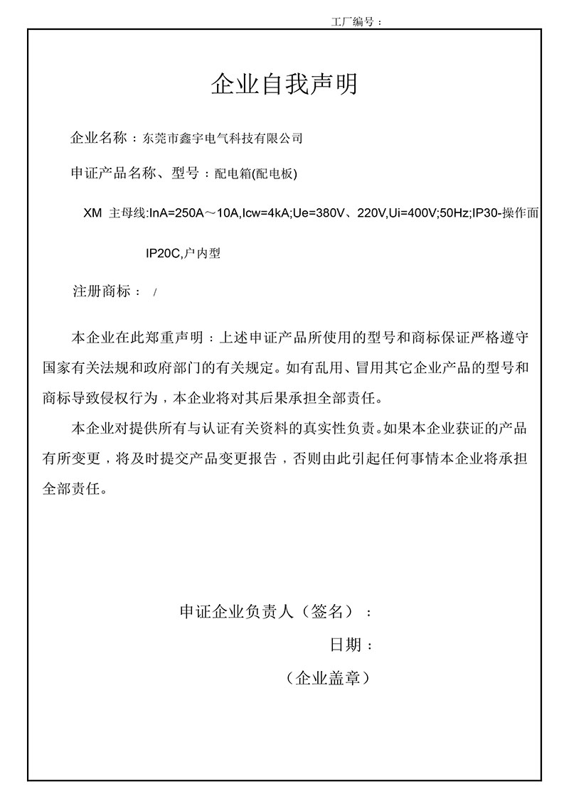
申请CCC强制认证产品描述
[返回栏目首页]
[上一页:荣誉证书]
[下一页:申请CCC强制认证产品描述]
东莞市球派体育点气科技有限公司 版权所有 【
BMAP
】【
GMAP
】技术支持:
东莞网站建设
顾客服务中心:133 6611 1599 地址:广东省东莞市寮步镇禾合田村十一巷11号101室 访问量:
*本站相关网页素材及相关资源均来源互联网,如有侵权请速告知,我们将在24小时内删除* [
后台管理
]
粤ICP备2022138115号